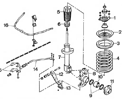
Dépose

Suspension - train avant - moyeux
Repose
La repose s'effectue dans l'ordre inverse de la Dépose.
Dépose-repose d'un pivot
Dépose-repose de la barre stabilisatriceFiltre à particules (pour diesel)
Le système de filtre à particules pour diesel filtre les particules de suie nocives
dans les gaz d'échappement du moteur. Le système dispose d'une fonction d'autonettoyage
qui s'effectue automatiquement en roulant. Le filtre est nettoyé par combustion
à ...
Défaillance de la télécommande radio
Déverrouillage
Tourner au maximum la clé dans la serrure de la porte du conducteur.
Tout le véhicule est déverrouillé quand la porte du conducteur est ouverte.
Pour déverrouiller les autres portes, mettre le contact et appuyer sur le bouton
de verro ...
Remplacement des balais d'essuie-glace
Position de maintenance de l'essuie-glace avant
Couper le contact, mais ne pas ôter la clé de contact ni ouvrir la porte conducteur.
Dans les 4 secondes, pousser la manette d'essuie-glace vers le bas et la relâcher
dès que les essuie-glaces sont en position vertical ...