A la repose, reprendre lesopérations de Dépose en ordre inverse.
Dépose-repose d'un mécanisme de leve-vitre avant
Pour la repose, reprendre lesopérations de Dépose en ordre inverse.
Dépose-repose d'un mécanisme de leve-vitre arrière
Procéder comme pour la Dépose d'une vitre puis Déposer le mécanisme par la plus grande ouverture du caisson de porte.
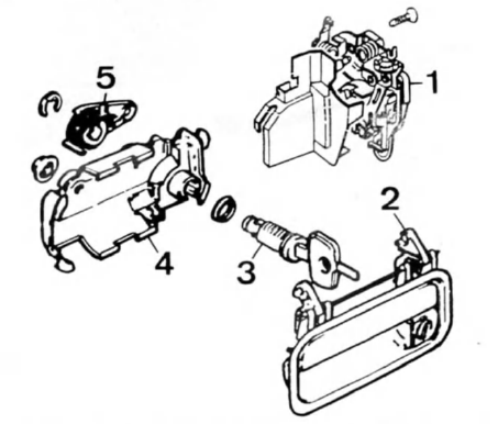
Dépose-repose d'une poignée extérieure de porte avant
Pour la repose, reprendre lesopérations de Dépose en ordre inverse de la Dépose.

Fixations d'une garniture de porte arrière

Fixations d'un mécanisme de leve-vitre de porte avant

Vitre et mécanisme
Dépose-repose d'une poignée extérieure de porte arrière
A la repose, reprendre lesopérations de Dépose en ordre inverse.
Dépose-repose d'une serrure de porte avant ou arrière
Pour la repose, reprendre lesopérations de Dépose en ordre inverse.

Poignée - serrure
Dépose-repose d'une garniture de porte avant
VitrageDémontage-remontage d'un élément de suspension
Nota : remplacér toujours les amortisseurs ou les ressorts
par train complet.
Démontage
Déposer l'élément de suspension (voir opération précédente) et le mettre
en placé sur un compresseur de ressort.
Dèsserrer l ...
Distribution
Remplacément de la courroie de distribution
Dépose
Débrancher le câble de la batterie.
Déposer le boitier de filtre à air et la conduite d'admission d'air.
Dévisser la conduite à depression de carter de courroie de distribut ...
Frein de stationnement
Serrer toujours le frein de stationnement sans actionner le bouton de déverrouillage.
Dans une pente ou dans une côte, le serrer aussi fort que possible.
Pour desserrer le frein de stationnement, soulever un peu le levier, appuyer
sur le bouton de déverrouillage et abaiss ...