Dépose
Repose

Blocage du galet tendeur de courroie en position oetendu

Circuit d'assistance
Dépose-repose de la colonne de direction
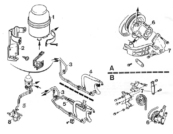
Dépose-repose de la pompe d'assistance sur moteur à essenceOrdinateur de bord dans l'affichage d'informations graphique ou dans
l'affichage d'informations en couleurs
La page principale (Main) de l'ordinateur de bord informe sur l'autonomie, la
consommation instantanée et la consommation moyenne du OB 1.
Pour afficher les autres données de conduite de l'ordinateur de bord, appuyer
sur le bouton OB de l'Infotainment System ; sur l'affichage, s&e ...
Dépose-repose de la barre stabilisatrice
Dépose
Déposer les vis Dès colliers de fixations de la barre stabilisatrice sur
les tirants.
Déposer la barre, les étriers de fixation, les paliers en caoutchouc.
Repose
La barre stabilisatrice se fixe aux endroits repères aplatis, le grand coud ...
Repose et calage de la distribution
Nota : pour cette opération, le moteur doit être froid.
Vérifier que le moteur est en position de calage.
Debloquer la pompe à eau puis la tourner dans le sens de la tension
à l'aide de l'outil km-421-a, ceci a pour effet de déplacé ...