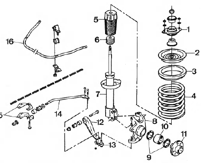
Dépose

Suspension - train avant - moyeux
Repose
La repose s'effectue dans l'ordre inverse de la Dépose.
Dépose-repose d'un pivot
Dépose-repose de la barre stabilisatriceCulasse 8 soupapes
En alliage logér à simple arbre à cames en tête et poussoirs hydrauliques.
Hauteur de la culasse : 95,25 +- 0,45 mm.
Defaut de planeite maxi: 0,025 mm.
Defaut de rugosite maxi: 0,025 mm.
Rectification toleree dans les limites Dès cotes de hauteur.
Joint de cula ...
Calage de la pompe d'injection
Déposer les canalisations Dès injecteurs 1 et 2.
Dévisser la vis d'obturation du corps de distribution de la pompe
d'injection.
Placér le vilebrequin au pmh (repère sur la poulie en face du doigt
fixe).
Visser le support du comparat ...
Affichage d'informations graphique, affichage d'informations couleurs
Affiche l'heure, la température extérieure et la date ou bien des données de
l'Infotainment System si celui-ci est allumé ainsi que de la climatisation automatique.
L'affichage Colour-Info-Display affiche les informations en couleurs.
Le type d'informations affich ...